Product Summary
The B82498B3150J000 is a SMT inductor.
Parametrics
Absolute maximum ratings: (1)Rated inductance LR: Measured with RF LCR meter Agilent 4286A and test fixture Agilent 16193A at frequency fL, 0.1 V, 20 ℃; (2)Q factor Qmin, Qtyp: Measured with RF LCR meter Agilent 4286A and test fixture Agilent 16193A, 20 ℃, Qmin measured at frequency fQ; (3)Rated temperature TR: 85 ℃; (4)Rated current IR: Maximum permissible DC with inductance decrease ΔL/L0 ≤ 10% and temperature increase of ≤ 20 K; (5)at rated temperature; (6)Self-resonance frequency fres,min: Measured with network analyzer Agilent 8753D, 20 ℃; (7)DC resistance Rmax: Measured at 20 ℃; (8)Solderability (lead-free): Sn95.5Ag3.8Cu0.7: (245 ±5) ℃, (5 ±0.3) s, Wetting of soldering area ≥ 90% (based on IEC 60068-2-58).
Features
Features: (1)High Q factor; (2)High resonance frequency; (3)Close inductance tolerance; (4)Suitable for lead-free reflow soldering; (5)RoHS-compatible.
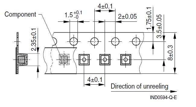
Diagrams

![]() |
![]() B82412-A |
![]() Other |
![]() |
![]() Data Sheet |
![]() Negotiable |
|
||||||||||||
![]() |
![]() B82412A1102J |
![]() |
![]() SMT-INDUCTOR 1210 1UH 5% |
![]() Data Sheet |
![]() Negotiable |
|
||||||||||||
![]() |
![]() B82412A1102J000 |
![]() EPCOS |
![]() Power Inductors SMT-INDUCTOR 1210 1UH 5% |
![]() Data Sheet |
![]()
|
|
||||||||||||
![]() |
![]() B82412A1102K |
![]() |
![]() SMT-INDUCTOR 1210 1UH 10% |
![]() Data Sheet |
![]() Negotiable |
|
||||||||||||
![]() |
![]() B82412A1102K000 |
![]() EPCOS |
![]() Power Inductors SMT-INDUCTOR 1210 1UH 10% |
![]() Data Sheet |
![]()
|
|
||||||||||||
![]() |
![]() B82412A1102K8 |
![]() |
![]() SMT-INDUCTOR 1210 1UH 10% |
![]() Data Sheet |
![]() Negotiable |
|
||||||||||||
(Hong Kong)








